我学会了坚强作文精选范文,我学会了坚强作文600字初中作文
1、下面是由整理的两篇我学会了坚强作文,欢迎阅读我学会了坚强作文一那年春天,我遭到一系列的挫折夹攻追击上课迟到值日工作拖拉考试成绩下降与同桌吵嘴生气老师批评完,家长骂同学气那段日子使我害怕我不再沉浸在回忆童年的美好时...
我的前半生2第二部电视剧播放了吗,我的前半生2电视剧全部续集什么时候开播
我的前半生2第二部电视剧还未播放当前状态截至目前,我的前半生第二部尚未进行播放筹备情况早前有消息称,我的前半生第二部正在紧锣密鼓的筹备中,并计划将剧名更改为我的后半生剧情展望该剧预计以中年后的职场感情婚姻生活为出发点...
微博手机客户端怎么看访客记录,微博手机客户端怎么看访客记录呢
1、手机微博不能查看访客记录具体原因如下微博未内置访客记录功能无论是你的主页还是他人的动态,微博都未提供直接查看访客历史的功能阅读量不等于访客身份即使你的动态被阅读,微博也只会显示阅读量,而不会揭示具体是谁浏览了你的...
用探出造句该怎么造,用探出造句该怎么造句二年级
1小草悄悄地从泥土里探出头来,嫩嫩的绿绿的,还挂着两滴晶莹的露珠,像是一对大而有神的眼睛,好奇地打量着外面的一切 2夏天,小草变成深绿色了它昂首挺胸的站在土里,一点都不怕被太阳晒,好象一个个威武的战士 3地上,万紫千...
微信电影怎么退款,微信怎么退电影票 微信退电影票详细步骤
1、微信上买的电影票在电影没上映之前是可以退的以下是关于微信购买电影票退票的具体说明1 退票条件时间限制微信上购买的电影票,通常需要在电影未上映之前进行退票操作一旦电影开始上映,退票的可能性会大大降低,甚至可能无法退...
植树节活动,植树节活动作文500字六年级
植树节活动目的及意义是植树节是为了保护倡导人民种植树木,鼓励人民爱护树木,提醒人民重视树木树木对于人类的生存,对于地球的生态环境,都是起着非常重要的作用中国设立中国植树节的根本目的在于保护森林,增种树木每一棵大树的生...
二十为什么是廿,二十为什么是廿的原因
廿叫二十的原因主要有以下几点造字本义廿的甲骨文形象表示两根纪事的绳子,每根绳子代表数目“十”,因此两根绳子合并即代表两个“十”,也就是二十其造字本义即为数词二十,是十的双倍说文解字在说文解字中,对廿的解释为“二十并也...
有所期待下一句是什么,有所期待有所等待啥意思
生活要有所为,有所爱,有所期待,下一句可以写未来可期,加油。 有所期待的下一句可以是以下几种不慌乱,不迷茫,无悔人生这句话强调了期待带来的内心稳定和人生方向感,以及最终无悔的人生境界不要活在别人的嘴里,也不要活在别人...
电脑加了内存条开不了机,电脑加了内存条开不了机了
4用橡皮擦拭内存金手指再安装检查内存参数是否匹配,如果两条内存不兼容,那就只能使用一条开机或另配5,用排除法仔细检查两根内存是否都是完好无损方法很简单,就是在只插上一根内存条时看能不能启动电脑如果排除法显示有内存故障...
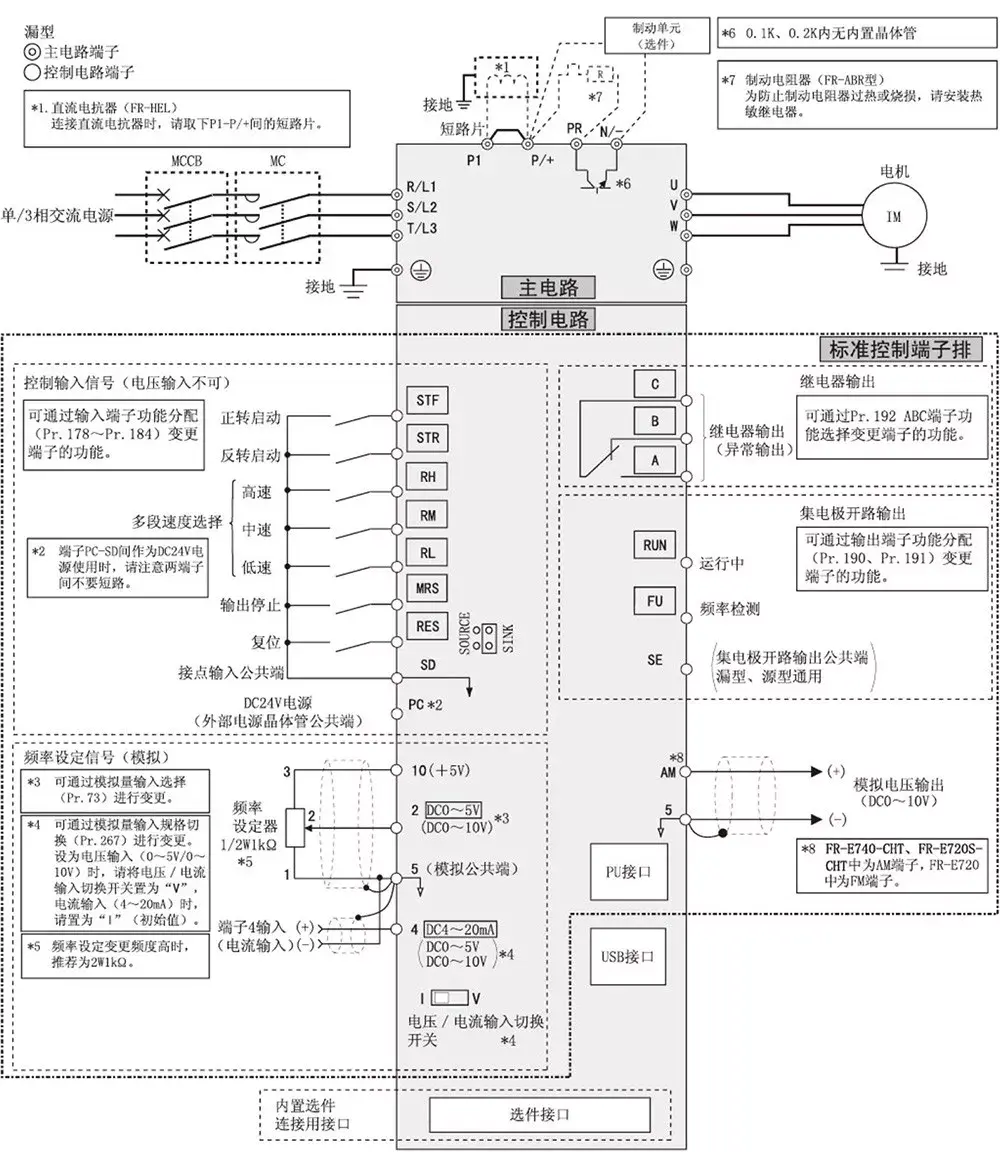
变频器接线方法图解,变频器接线图与实物图讲解
220v单相变频控制单相220v电机接线方式如下变频器接线主电路电源进线接变频器上的“L1”和“L2”电机出线端接变频器上的“U”“V”“W”电源出线接变频器上的“R”“S”“T”接触器接法触器的一端接电源的“L”,...










京公网安备11000000000001号
京ICP备11000001号